Ежегодно на дорогах России погибают люди в результате дорожно-транспортных происшествий. Это происходит из-за незнания и сознательного несоблюдения правил дорожного движения, недисциплинированности на дорогах, пренебрегающих правилами.
Привить навыки безопасного поведения на дороге, только рассуждая об осторожности, нельзя. Безопасному поведению и правилам дорожного движения людей нужно учить с того момента, когда человек начинает ходить самостоятельно. Поэтому обучение дошкольников, школьников и взрослых безопасному поведению на дорогах должно соответствовать современным требованиям к участнику дорожного движения и действующим правилам дорожного движения.
Для того чтобы повысить результативность знаний детей различной возрастной категории, детей с ОВЗ и взрослых о правилах дорожного движения на практике, сократить травматизм в ДТП, необходимо помещение, которое должно функционировать круглогодично.
В связи с этим, нашему городу необходим Центр безопасности дорожного движения «Сохрани жизнь». Из выше изложенного вытекает проблема: отсутствие такого центра не только в городе, но и в области.
Изучив существующие виды автогородков, было решено разработать собственное помещение и создать макет центра. Результаты разработки будут представлены администрации города, инвестсовету, Губернатору Самарской области, Сенатору Российской Федерации.
Актуальность проекта определяется тем, что ни один из существующих центров не соответствует современным требованиям. Кроме этого все массовые мероприятия, по данному направлению, проводятся на базах школ, центров детского творчества, или лагерях. Отдельно стоящего здания, где могут заниматься не только дети, но и взрослые — отсутствуют.
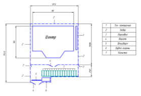
Далее начата работа над макетом. Создан план территории (рисунок 1), эскиз здания (рисунок 2), планы 1 и 2 этажей (рисунок 3, рисунок 4).
|
|
|
|
Рис. 1. План центра |
Рис. 2. Фасад центра |
|
|
|
|
Рис. 3. План первого этажа |
Рис. 4. План второго этажа |
Было произведено моделирование элементов центра и созданы 3D-модели макета в программе Tinkercad. Так же были изучены основы 3D-прототипирования, создан макет Центра безопасности дорожного движения «Сохрани жизнь» (рисунок 5).
Рис. 5. Моделирование элементов центра
Распечатаны все элементы на станках с ЧПУ (рисунок 6).
Рис. 6. Процесс распечатки на станках с ЧПУ
Собран макет и организовано электроснабжение (рисунок 7).
Рис. 7. Процесс сборки макета
Одна из важнейших задач является создание максимально безопасной и комфортной жизненной среды. Проект «Сохрани жизнь» подразумевает под собой строительство и оборудование стационарного двухэтажного здания. Основная цель проекта направлена на организацию и обучение целевой группы дошкольников, школьников, взрослых правилам дорожного движения, чтобы потом люди смогли применить полученные теоретические знания по ПДД на практике.
Данный центр позволит не только обучить людей ПДД, но и проводить конкурсы, конференции, семинары, олимпиады различного уровня, с привлечением родителей, сотрудников ГИБДД, активистов организации «Движение первых», администрации города.
Рис. 8. Макет
Литература:
- Козловская Е. А. Профилактика детского дорожно-транспортного травматизма.- М.: «Издательский Дом Третий Рим», 2018–55 с
- Детские автогородки и учебные площадки- URL: https://zarnitza.ru/catalog/avtogorodki-i-pdd/detskie-avtogorodki/
- Основные требования к детским автогородкам — URL: https://www.dddgazeta.ru/archive/2016_14/22418/
- Шумилова В. В. Профилактика детского дорожно-транспортного травматизма в школе/ В. В. Шумилова — Волгоград: Учитель, 2006.

