Введение
Внедрение в процесс проектирования технологического процесса модели установки в Aspen HYSYS позволяет инженерам-технологам автоматизировать сложные расчётные задачи, с которыми они сталкиваются во время разработки документации по проекту. Благодаря достаточно проработанной и достоверной модели процесса возможно сокращение трудозатрат на проектирование процесса и уменьшение стоимости выпускаемой документации.
Анализ применимости моделей технологического процесса
Для проведения расчёта экономической эффективности внедрения разработанных моделей, был проведён анализ их применимости на разных этапах проектирования.
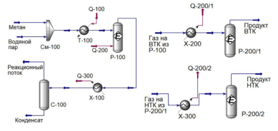
Разработанные модели установки производства водорода (УПВ) на реакторном уровне (рис. 1), служат для получения фундаментальных данных о процессе в максимально сжатые сроки, поэтому они подходят для начальных этапов проектирования, когда нет необходимости предоставлять большой объём данных с высокой точностью.
Рис. 1. Модели УПВ на реакторном уровне [1]
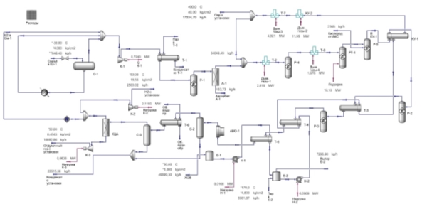
Модель на основе принципиальной технологической схемы (рис. 2) позволяет получить заметно бо́льший объём данных для проектирования, поэтому её использование целесообразно не только на начальных этапах, но и последующих, таких как основные технические решения и проектная документация. Частично данная версия модели может быть использована и для разработки рабочей документации, так как Aspen HYSYS позволяет выпускать опросные листы на основе проведённых расчётов.
Рис. 2. Модель УПВ на основе принципиальной технологической схемы [2]
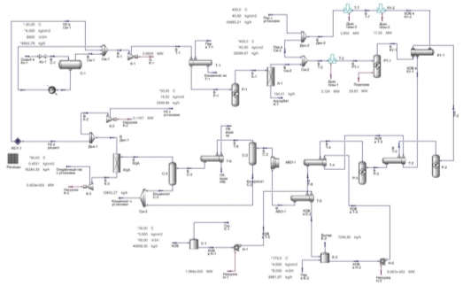
Проработанные модификации (рис. 3) могут быть предназначены как для разработки проектов с принятыми решениями, так и проведения проектными институтами научно-исследовательской проработки по данным заказчиков.
Рис. 3. Модель УПВ, модифицированная реакторами предриформинга и каталитического парциального окисления [3]
Определение стоимости работ в зависимости от стоимости строительства
Определение стоимости проектных работ в зависимости от стоимости строительства [4] подходит для ранних стадий жизненного цикла проекта, к примеру технико-экономического обоснования, когда не требуется детальной оценки стоимости работ. Данный способ расчёта достаточно прост и удобен в процессе формирования инвестиционного бюджета, но он не отражает реальную сложность проектирования и не даёт точной стоимости выполнения работ.
Базовая стоимость типового набора основного оборудования (динамическое, теплообменное, реакционное оборудование) в ценах на 01.01.2000 в среднем составляет 442,61 млн. руб.
С учётом расходов по доставке, упаковке, комплектации оборудования, наценки сбытовых организаций отпускная стоимость оборудования равна 639,57 млн. Стоимость строительно-монтажных работ, включающая монтаж, демонтаж, строительные работы, принимается равной 447,04 млн. руб.
Таким образом, стоимость строительства составляет 1086,6 млн. руб., что соответствует нормативу стоимости проектных работ (нормативу «альфа») 3,13. Тогда базовая стоимость проектных работ равна 210,05 млн. руб. с учётом коэффициента инфляционного изменения базовой стоимости работ в уровень цен I квартала 2026 года, принимаемому равным 6,167 [5].
Распределение стоимости основных проектных работ по видам разрабатываемой документации приведено в таблице 1.
Таблица 1
Распределение стоимости основных проектных работ по видам разрабатываемой документации
|
№ |
Виды документации |
Доля стоимости основных проектных работ, % |
Стоимость основных проектных работ, млн. руб |
|
1 |
Проектная документация |
40 |
84,02 |
|
2 |
Рабочая документация |
60 |
126,03 |
|
3 |
Итого |
100 |
210,05 |
Доля раздела «Технологические решения» (ТХ) в проектной документации варьируется от 15 до 25 %. Стоимость выполнения проектных работ по разделу составит от 12,60 до 21,01 млн. руб., из которых от 5,04 до 8,40 млн. руб. составляет заработная плата проектировщиков.
Определение стоимости проектных работ на основании нормируемых трудозатрат
Определение стоимости проектных работ на основании нормируемых трудозатрат [6] является более точным методом, так как оно учитывает сложность проектирования и состав отдела. Данный метод расчёта подходит для планирования загрузки технологического отдела и позволяет оптимизировать процесс проектирования. Расчёт рассматривается для следующего количества сотрудников: начальник отдела — 1 чел.; ведущий инженер — 3 чел.; инженер III категории — 2 чел.
В раздел ТХ входят следующие основные данные:
- Расчёт процесса.
- Разработка ПТС.
- Расчёт трубопроводов (в т. ч. с использованием «Гидросистемы»).
- Выбор материального исполнения оборудования.
- Выбор материального исполнения трубопроводов.
- Разработка технологической схемы с КИПиА.
- Расчёты основного технологического оборудования.
- Разработка опросных листов на оборудование.
- Заполнение характеристик взрывопожароопасных и токсических свойств веществ.
- Формирование заданий смежным специалистам.
- Выпуск документации по технологической части проекта.
В таблице 2 представлены трудозатраты на выполнение указанных ранее задач.
Таблица 2
Трудозатраты на выполнение задач технологического отдела
|
№ задачи |
Затраты на разработку, чел.-ч |
Кол-во специалистов |
Экономия, чел.-ч | |
|
До внедрения |
После внедрения | |||
|
1 |
395,2 |
263,5 |
2 |
131,7 |
|
2 |
494,0 |
345,8 |
3 |
148,2 |
|
3 |
329,3 |
230,5 |
2 |
98,8 |
|
4 |
123,5 |
123,5 |
1,5 |
0,0 |
|
5 |
123,5 |
123,5 |
1,5 |
0,0 |
|
6 |
856,3 |
526,9 |
4 |
329,3 |
|
7 |
741,0 |
345,8 |
3 |
395,2 |
|
8 |
724,5 |
395,2 |
4 |
329,3 |
|
9 |
164,7 |
131,7 |
1 |
32,9 |
|
10 |
658,7 |
395,2 |
4 |
263,5 |
|
11 |
823,3 |
823,3 |
2,5 |
0,0 |
|
5434,0 |
3705,0 |
1729,0 | ||
Таким образом, с внедрением моделей в процесс проектирования возможна оптимизация на 1729,0 человеко-часов.
В таблице 3 проиллюстрирован расчёт временных затрат на выполнение этапов разработки раздела ТХ, в которых содержатся объединённые задачи.
Таблица 3
Расчёт временных затрат на разработку проекта
|
Этап |
Задачи |
Временные затраты, нед | |
|
До внедрения |
После внедрения | ||
|
1 |
1,2,9 |
4,94 |
3,29 |
|
2 |
3,7 |
6,18 |
2,88 |
|
3 |
4,5 |
2,06 |
2,06 |
|
4 |
6,8 |
5,35 |
3,29 |
|
5 |
10 |
4,12 |
2,47 |
|
6 |
11 |
8,23 |
8,23 |
|
Итого недель: |
30,88 |
22,22 | |
|
Итого дней: |
154,4 |
111,1 | |
|
Итого месяцев: |
7,50 |
5,40 | |
Для учёта процессов согласования и корректировки документации полученные данные округлим в большую сторону. Таким образом, до внедрения модели на разработку раздела ТХ требуется 8 месяцев (164,7 дней), после внедрения временные затраты составят 6 месяцев (123,5 дня).
Стоимость выполнения работы рассчитывается на основе базовой цены. Базовая цена работы рассчитывается на основании нормируемых трудозатрат по формуле (1):
где Ц б — базовая цена работы, руб.;
В ср.дн. — базовая среднедневная единичная выработка одного непосредственного исполнителя, руб.;
Т общ — общая продолжительность выполнения работы по календарному плану, дни;
Ч общ — общая численность непосредственных исполнителей, чел.;
К кв-уч — коэффициент, учитывающий степень участия исполнителей различной квалификации в разработке (коэффициент квалификации-участия).
Базовая среднедневная единичная выработка рассчитывается исходя из среднедневной заработной платы, равной 6351,57 руб. [7], уровня рентабельности в 10 % и доли заработной платы, принимаемой равной 40 %. Таким образом, среднедневная единичная выработка равняется 17466,81 руб.
Коэффициент, учитывающий степень участия исполнителей различной квалификации в разработке и их фактическое время работы, для раздела данного состава равен 1,092.
С учётом рассчитанных ранее данных базовая цена работ при продолжительности проектирования 8 месяцев составляет 18,84 млн. руб., а при 6 месяцах 14,13 млн. руб. Доля заработной платы в указанных суммах составляет 7,54 и 5,65 млн. руб. соответственно.
Заключение
Представленные расчёты стоимости проектных работ в зависимости от стоимости строительства и по нормативным трудозатратам позволяют оценивать затраты при различных исходных данных на разных стадиях проработки проекта.
По результатам расчётов выяснено:
- Стоимость разработки раздела ТХ в зависимости от стоимости строительства составляет от 12,60 до 21,01 млн. руб.; заработная плата проектировщиков составляет от 5,04 до 8,40 млн. руб.
- Стоимость разработки раздела ТХ по нормированным трудозатратам составляет 18,84 и 14,13 млн. руб. для 8 и 6 месяцев проектирования соответственно; в данную сумму входит заработная плата в размере 7,54 и 5,65 млн. руб. соответственно.
Полученные данные по стоимости проектных работ различными методами представляют интерес как для Заказчика, которому необходимы ориентировочные суммы затрат на реализацию проектных работ, так и для проектных институтов с целью подсчёта их прибыли.
Таким образом, внедрение модели УПВ в процесс разработки раздела «Технологические решения» проектной документации позволит сократить сроки проектирования на 2 месяца. Затраты на заработную плату снижаются на 1,88 млн. руб., а конечная стоимость выполнения проектных работ на 4,71 млн. руб., что доказывает экономическую эффективность предлагаемого внедрения.
Литература:
- Минлибаев, Л. М. Исследование процесса получения водорода паровой конверсией метана с помощью Aspen HYSYS / Л. М. Минлибаев, О. Ю. Белоусова // Наука. Технология. Производство — 2025: материалы Всероссийской научно-технической конференции, посвящённой 80-летию Победы в Великой Отечественной войне. — 2025. — С. 14–16.
- Минлибаев, Л. М. Разработка модели установки производства водорода в Aspen HYSYS / Л. М. Минлибаев, О. Ю. Белоусова // Электронный сборник материалов III всероссийской научно-практической конференции с международным участием. — Кемерово: ФГБОУ ВО «КузГТУ», филиал КузГТУ в г. Новокузнецке, 2025. — С. 155–158.
- Минлибаев, Л. М. Разработка модифицированных моделей установки производства водорода в Aspen HYSYS / Л. М. Минлибаев // Материалы международного научно-исследовательского конкурса «Технологические инновации и научные открытия». — Уфа: «НИЦ «Вестник науки», 2025. — С. 57–69.
- МРР-4.8.02–18 Методика определения стоимости проектных работ в зависимости от стоимости строительства [Электронный ресурс]. — URL: https://www.mos.ru/upload/documents/files/9941/PrikazMKE-OD-18–75Sbor-nik48nasait.pdf (дата обращения: 15.02.2026).
- Приложение к приказу Комитета города Москвы по ценовой политике в строительстве и государственной экспертизе проектов от 21 декабря 2023 г. № МКЭ-ОД/23–142. Коэффициенты пересчёта (инфляционного изменения) базовой стоимости работ градостроительного проектирования, проектирования и других видов работ (услуг), осуществляемых с привлечением средств бюджета города Москвы, на 2024–2026 годы [Электронный ресурс]. — URL: https://base.garant.ru/408270197/53f89421bbdaf741eb2d1ecc4-ddb4c33/ (дата обращения: 16.02.2026).
- МРР-9.1.02–18 Методика расчёта стоимости проектных, научных, нормативно-методических и других видов работ (услуг) на основании нормируемых трудозатрат [Электронный ресурс]. — URL: https://www.mos.ru/upload/documents/files/1782/PrikazMKE-OD-18–74-Sbornik91nasait.pdf (дата обращения: 19.02.2026).
- Среднемесячная номинальная начисленная заработная плата работающих в экономике с 2017 г. [Электронный ресурс]. — URL: https://www.fed-stat.ru/indicator/57824 (дата обращения: 19.02.2026).

