Ведение авторского надзора за строительством предполагает не только надзор за соблюдением требований проектной документации, но и разрешение коллизий, возникающих в ходе выполнения строительно-монтажных работ.
Среди наиболее часто возникающих коллизий, которые требуют тщательного анализа и последующей разработки технических решений, следует отметить различные отклонения в свайных фундаментах [1÷3], несоосность вертикальных элементов [4], различные нестыковки между вновь возводимыми и существующими конструкциями [5]. Нередко для разработки технических решений требуется перерасчет отдельных элементов [4÷6] или несущего каркаса в целом [7, 8].
Рассмотрим коллизию, выявленную в ходе авторского надзора за строительством стального каркаса встройки (см. рис. 1÷рис. 3).
Рис. 1. Схема расположения колонн встройки
Рис. 2. Поперечное сечение встройки
Рис. 3. Проектное решение базы колонны (жесткая заделка)
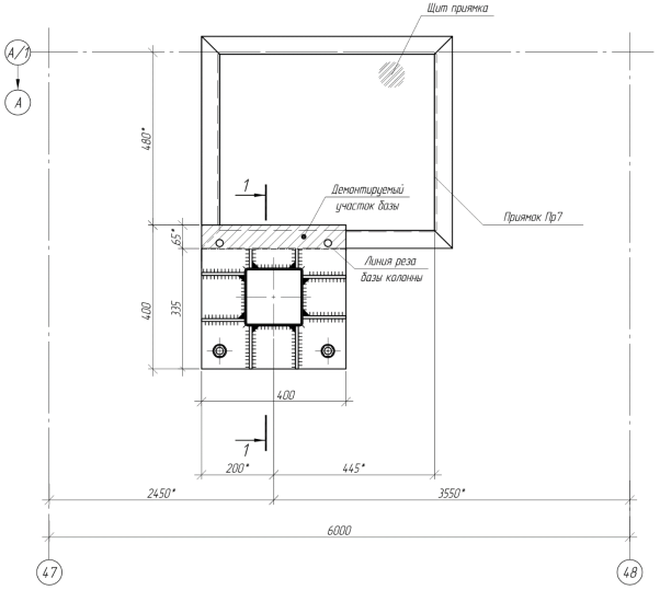
Было выявлено, что после установки одной из колонн встройки, опирание ее базы произошло на стенку ранее выполненного приямка (выполнен с непроектной привязкой) в железобетонном основании пола (см. рис. 4).
Рис. 4. Выявленное непроектное положение приямка вблизи установки колонны в осях А — А/1 и 47–48
Взаимное непроектное расположение базы колонны и приямка приводит к следующему:
- расстояние от оси недостающего анкерного болта (по рис. 4) до грани стенки приямка меньше предельно допустимого, что после его установки может привести к выкалыванию бетона не только в ходе работы колонны под нагрузкой, но уже в ходе установки болта (пример подобного случая рассмотрен в [9]);
- отсутствие возможности проектного перекрытия приямка съемным стальным щитом.
При этом, расчеты показали, что само по себе непроектное опирание базы колонны на стенку приямка не уменьшает несущую способность базы колонны или приямка. Возможное повреждение арматуры стенки приямка при установке анкерного болта так же не приведет к снижению её несущей способности, так как по результатам расчета она является сжатым элементом [10].
Однако, указанное непроектное решение негативно сказывается на последующей эксплуатации приямка, так не позволяет перекрыть его проектным съемным щитом. В то время как разрезка щита для расхождения с базой колонны меняет его проектную схему работы (пластинка, опертая по четырем сторонам) и снижает несущую способность, как по прочности, так и по деформациям. Кроме того, наличие вырезов в щите вызывает неудобства в ходе его эксплуатации (возможное заклинивание при съеме и установке, постоянная необходимость «правильной» установки с учетом выреза и т. п.).
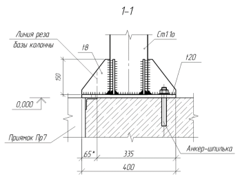
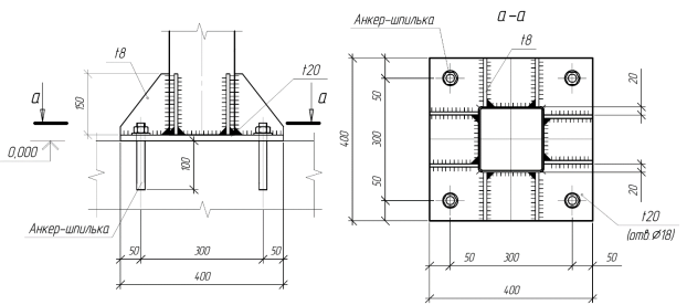
В ходе анализа проектной документации, было установлено, что ширина грузовой площади рассматриваемой колонны является наименьшей по сравнению с соседними колоннами каркаса встройки (см. рис. 1). В связи с этим, была рассмотрена возможность изменения схемы опирания колонны: с жесткого защемления на шарнирное. Изменение схемы опирания позволяет выполнить срезку участка базы колонны (ребер и опорной пластинки) попадающих в зону опирания щита и отказаться от установки анкерных болтов в стенку приямка (см. рис. 5, рис. 6).
Рис. 5. Изменение конструкции базы колонны (вид в плане)
Рис. 6. Изменение конструкции базы колонны (сечение)
При этом:
- наличие подкрепляющих ребер на участке опорной пластины со стороны, противоположной приямку, исключает одиночную работу опорной пластины, описанную в [11];
- отсутствие растягивающих напряжений со стороны приямка, не нагружает оставшийся сварной шов, исключая потерю его несущей способности раньше опорной плиты [12].
Хотя соотношение жесткостей в каркасе встройки остается постоянным, изменение узла сопряжения одной колонны с основанием приводит к некоторому перераспределению усилий во всех элементах каркаса [13, 14] и изменению расчетных длин смежных колонн, что было учтено в ходе расчета в ПК Лира-САПР и последующих поверочных расчетах элементов согласно указаниям [15].
Литература:
1. Гандельсман, А. И. Исследование причин смещения свай при устройстве фундаментов жилого дома / А. И. Гандельсман // Фундаментальные основы инновационного развития науки и образования: сборник статей VI Международной научно-практической конференции: в 3 ч., Пенза, 30 декабря 2019 года. Том Часть 1. — Пенза: «Наука и Просвещение» (ИП Гуляев Г. Ю.), 2019. — С. 45–50. — EDN KFLYUP.
2. Косяков, А. Ю. влияние отклонения свай при забивке от их проектного положения на несущую способность центрально нагруженного свайного куста / А. Ю. Косяков, В. П. Фатиев, А. Е. Лыгин // Семьдесят вторая всероссийская научно-техническая конференция студентов, магистрантов и аспирантов высших учебных заведений с международным участием: Сборник материалов конференции. В 3-х частях, Ярославль, 24 апреля 2019 года. Том Часть 2. — Ярославль: Ярославский государственный технический университет, 2019. — С. 987–990. — EDN VEZXNE.
3. Трофимов, Д. П. Применение контрольных карт Шухарта для контроля качества выполнения свайных работ / Д. П. Трофимов // Молодой ученый. — 2022. — № 31(426). — С. 41–44. — URL: https://moluch.ru/archive/426/94340/ (дата обращения: 20.12.2025). — EDN QNFTNR.
4. Мирсаяпов, И. Т. Усиление зон продавливания плиты перекрытия при несоосности вертикальных несущих элементов по высоте здания / И. Т. Мирсаяпов, Г. П. Никитин, М. Ф. Ханбеков // Известия Казанского государственного архитектурно-строительного университета. — 2022. — № 4(62). — С. 30–39. — DOI 10.52409/20731523_2022_4_30. — EDN FCMXSE.
5. Файзулхакова, А. Р. Опыт проектирования устройства дверного проема в стенке железобетонной стропильной балки / А. Р. Файзулхакова, Д. П. Трофимов // Молодой ученый. — 2022. — № 44(439). — С. 52–58. — URL: https://moluch.ru/archive/439/96109/ (дата обращения: 20.12.2025). — EDN AWJVTV.
6. Плевков, В. С. Восстановление и усиление строительных конструкций аварийных и реконструируемых зданий: Атлас схем и чертежей / В. С. Плевков, А. И. Мальганов, А. И. Полищук. — Томск: Томский межотраслевой ЦНТИ, 1990. — 316 с. — EDN VJMUKR.
7. Использование САПР при проведении аудита расчетной части проектной документации / М. М. Айзатуллин, И. А. Гарькина, Л. С. Сабитов [и др.] // Научно-технический вестник Поволжья. — 2024. — № 9. — С. 7–10. — EDN BVFULV.
8. Глушков, И. В. Расчет мостового перехода с учетом выявленных при строительстве нарушений / И. В. Глушков // Модернизация и научные исследования в транспортном комплексе. — 2012. — Т. 3. — С. 370–376. — EDN PXBEKV.
9. Малахова, А. Н. Анализ причин разрушения металлической рамы при аварии возводимого складского здания / А. Н. Малахова, Д. В. Морозова // Системные технологии. — 2017. — № 2(23). — С. 61–65. — URL: https://www.elibrary.ru/download/elibrary_32336542_47960183.pdf (дата обращения: 20.12.2025). — EDN YMWICJ.
10. Хаертдинова, И. И. К корректировке конструктивных требований норм СП 52–101–2003 в случаях ненужности стальной арматуры по расчеты прочности в сжатых элементах из армированного бетона / И. И. Хаертдинова // Тезисы докладов 64-й Международной научной конференции по проблемам архитектуры и строительства. — Казань: Издательство КГАСУ. — 2018. — С. 43–44.
11. Алпатов, В. Ю. Исследования жесткости узла базы стальной колонны, состоящей из одной опорной плиты / В. Ю. Алпатов, А. О. Лукин, А. А. Сахаров // Промышленное и гражданское строительство. — 2015. — № 9. — С. 9–14. — URL: https://www.elibrary.ru/download/elibrary_24229202_14981973.pdf (дата обращения: 20.12.2025). — EDN UKFKDV.
12. Михаськин, В. В. Исследование напряженно-деформированного состояния некоторых конструктивных решений шарнирно-опертых баз стальных колонн / В. В. Михаськин // Экономика строительства. — 2023. — № 4. — С. 211–215. — URL: https://www.elibrary.ru/download/elibrary_53757160_20851418.pdf (дата обращения: 20.12.2025). — EDN IPVYYK.
13. Лимонина, А. А. Влияние жесткости узла базы колонны на усилия, напряжения и перемещения в стальном каркасе / А. А. Лимонина // Серия «Строительство»: Сборник статей магистрантов и аспирантов. В 2-х томах. Том 2. Выпуск 3. — Санкт-Петербург: Санкт-Петербургский государственный архитектурно-строительный университет, 2020. — С. 116–124. — EDN CUYGDY.
14. Хаертдинова, И. И. Расчет плоских рам на основе полной системы уравнений строительной механики при различной идеализации конструкций и учете различных факторов / И. И. Хаертдинова // Тезисы докладов 63-й Международной научной конференции по проблемам архитектуры и строительства. — Казань: Издательство КГАСУ. — 2017. — С. 125.
15. СП 16.13330.2017 Стальные конструкции. Актуализированная редакция СНиП II-23–81* (с Поправкой, с Изменением N 1, 2)

