Введение
Искусственный интеллект — это способность технических систем выполнять функции, традиционно связанные с интеллектуальной деятельностью человека. К ним относятся распознавание речи, решение сложных инженерных задач, анализ ситуаций и принятие решений на основе полученной информации.
Технологии искусственного интеллекта представляют собой новый качественный уровень развития средств автоматизации. Традиционные контроллеры и алгоритмы управления, как правило, основаны на простых логических законах и реализуют предопределенную реакцию на изменения параметров. Искусственный интеллект, с другой стороны, позволяет одновременно учитывать сотни факторов, оценивать несколько альтернативных решений и выбирать из них наиболее эффективное.
Одним из важных направлений повышения энергоэффективности является улучшение энергетических характеристик инженерных систем зданий. В современных жилых, общественных и промышленных зданиях, наряду с энергоэффективными системами отопления, вентиляции и кондиционирования воздуха, широко используются автоматизированные системы управления, позволяющие эффективно контролировать и регулировать энергопотребление. Однако единая нормативно-методическая база для оценки и оптимизации энергоэффективности систем ОВК до сих пор недостаточно разработана.
В этом контексте вопрос снижения энергопотребления за счет использования интеллектуальных методов управления системами отопления, вентиляции и кондиционирования воздуха является актуальной научной и прикладной задачей.
Интеллектуальное управление системой отопления, вентиляции и кондиционирования воздуха.
Как правило, вентиляционные системы работают в режимах, характеризующихся нестабильностью параметров регулируемого объекта, поэтому качество работы этих систем зависит не только от правильного подбора вентилятора и согласования его аэродинамических характеристик с вентиляционной сетью шахты, но и от метода и эффективности регулирования режимов его работы.
Высокое качество тепловых процессов может быть обеспечено за счет использования интеллектуальных технологий управления, позволяющих достигать высоких показателей регулирования при наличии нелинейных и многочисленных деструктивных факторов объекта. Мы рассматриваем вопросы внедрения интеллектуальной системы управления, обеспечивающей комфортную температуру воздуха в помещении и необходимый уровень воздухообмена.
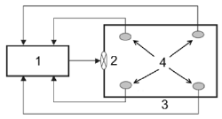
Функциональная схема системы вентиляции показана на рисунке 1. Для контроля параметров воздушной среды используются датчики температуры и газоанализаторы. Изменение температуры воздуха осуществляется пропорциональным приводом трехходового клапана, который изменяет степень смешивания горячей воды из системы горячего водоснабжения (ГВС) и холодной обратной воды из чиллера (рисунок 8).
1 — регулятор температуры окружающей среды; 2 — вентилятор; 3 — комнатный; 4 — датчики
Рисунок 1 — Конструкция системы регулирования воздухообмена
Регулировка скорости вращения приточных и вытяжных вентиляторов позволяет изменять интенсивность воздухообмена и, следовательно, концентрацию вредных примесей в воздухе помещения.
Для анализа химического состава воздуха в помещении установлена распределенная система, состоящая из четырех датчиков. Измеряемые значения — это концентрация углекислого газа (CO2), оксида углерода (CO), влажности и других вредных примесей (OD) (рис. 2.2). Количество вентиляторов может быть различным и зависит от функционального назначения и размеров помещения. Таким образом, может использоваться один или несколько вентиляторов. В этом случае создание системы управления на основе ПИД-регулятора крайне затруднительно, поскольку объект имеет нелинейную математическую характеристику, а также необходимо обрабатывать несколько входных сигналов одновременно. Наилучшим способом представления поведения различных газов и примесей в воздухе является использование лингвистического описания. Это можно сделать с помощью нечеткого моделирования соответствующего процесса (рис. 9).
а) концентрация диоксида углерода; б) концентрация монооксида углерода; в) влажность; г) другие примеси.
Рисунок 2 — Нечеткие множества для входных переменных контроллера
Сравнительная оценка эффективности предложенного метода регулирования скорости вращения вентилятора и нерегулируемой системы вентиляции была проведена на известной математической модели помещения объемом 36 м³. В начальный период времени в помещении отсутствуют источники газовых смесей. После этого, через 15 часов, источники газовых смесей активируются (появление нескольких человек в помещении, включение газовой плиты и т. д.), результаты сравнительного анализа газового состава воздуха для двух методов регулирования скорости вращения вентилятора показаны на рисунках 10–12.
Рисунок 3 — Концентрация примесей в воздухе при постоянной скорости вращения вентилятора.
На графике показана концентрация примесей в воздухе при постоянной скорости вращения вентилятора.
Рисунок 4 — Концентрация примесей в воздухе при использовании недетерминированного регулятора
На графике показана концентрация примесей в воздухе при использовании недетерминированного регулятора.
Рисунок 5 — Выходной сигнал нечеткого контроллера
Анализ графиков (рисунки 10–12) показывает, что использование нечеткого контроллера позволяет устанавливать оптимальную скорость вращения вентилятора в зависимости от концентрации газовых смесей. Это позволяет поддерживать оптимальный уровень концентрации одной из смесей, заданный пользователем, в то время как остальные факторы являются неприятными и влияют на скорость вращения вентилятора. Нерегулируемая система вентиляции не обеспечивает необходимый воздухообмен при низких скоростях вращения вентилятора или является энергоэффективной, когда вентилятор постоянно работает на максимальной скорости.
Схема двухконтурной системы регулирования температуры показана на рисунке 2.6. Контроллер внешнего контура передает контроллеру внутреннего контура данные о температуре обратной воды в смесительном блоке. Задача второго контроллера — обработка сигнала от первого контроллера, а сигналом обратной связи является температура обратной воды в смесительном блоке.
Передаточная функция системы вентиляции рассматривается как последовательное соединение звеньев: вентилятора, теплообменника, воздуховода и помещения:
Для реализации нейронного контроллера температуры воздуха в MATLAB была создана двухслойная нейронная сеть. Модель обучения нейронной сети была создана вручную на основе эмпирических знаний о работе системы вентиляции. Входными параметрами нейронной сети являются сигналы от нескольких датчиков температуры, расположенных в разных точках помещения (рис. 13).
1 — регулятор воздушного контура; 2 — регулятор водяного контура; 3 — система вентиляции; 4 — датчик температуры воды; 5 — датчик температуры воздуха.
Рисунок 6 — Двухконтурная система управления
Согласно требованиям к показателям качества вентиляционных систем, статическая погрешность и максимальная корректировка составляют 7 и 10 % соответственно.
Сравнение нечетких и нейронных контроллеров проводится в математической модели системы. Графики изменения температуры при изменении задачи и линейная модель помещения показаны на рисунке 14.
Сплошная линия (1) — традиционная система управления; пунктирная линия (2) — система управления с нечетким контроллером или нейронной сетью.
7 — Графики изменения температуры в линейной модели помещения.
Анализ графиков (рис. 2.7) показывает, что отклонение температуры в системе с нечетким контроллером при коррекции отклонений значительно ниже, чем в традиционной структуре управления, статическая ошибка в 5 % соответствует допустимым нормам. Результаты нейронной сети практически совпадают с показателями нечеткого контроллера, что свидетельствует о корректности обучения нейронной сети.
Результаты исследования показали, что использование методов искусственного интеллекта в управлении системами ОВК позволяет повысить энергоэффективность и стабилизировать параметры микроклимата. Контроллеры на основе нейронных сетей и нечеткой логики хорошо адаптируются к нелинейным свойствам системы и обеспечивают лучшие результаты по сравнению с традиционными методами управления.
Полученные результаты могут быть использованы при проектировании интеллектуальных систем управления системами отопления, вентиляции и кондиционирования воздуха в реальных зданиях, а также при разработке технологий «умных зданий».
Использованная литература
1) 4. Osman, A. A., Elnaggar, M. H., Abido, M. A., & El-Shorbagy, M. A. (2015). Optimal Reservoir Management with Multiobjective Particle Swarm Optimization. Journal of Applied Mathematics, 2015, 1–12. doi: 10.1155/2015/949470
2) Б. К. Датта, «Термодинамика: принципы и приложения», Prentice Hall of India Private Ltd, Нью-Дели (ноябрь 2016 г.).
3) Каспарьянц К. С, Кузин В. И. Григорян Л. Г. Процессы и аппараты для объектов промысловой подготовки нефти и газа. — М: Недра. 1977.
4) Комягин А. Ф. Автоматизация производственных процессов газонефтепроводов. -
М: Недра, 1979.

