Настоящая статья направлена на разработку экономичной энергосберегающей установки речного судна и проведения фундаментальных исследований в целях обеспечения научного задела в этой важной области деятельности — судостроения.
В судовой энергетической установке основными элементам являются главный судовой дизель и вспомогательный дизель-генератор, которые обеспечивают заданную скорость хода судна, снабжают потребителей различными видами энергии, при этом процессы управления и регулирования должны быть автоматизированы, быть надежной, т. е. иметь оптимальную вероятность безотказной работы, требовать минимальное время на устранение неисправностей и сохранять работоспособность в аварийных ситуациях.
Основные массовые потребители мировых запасов топлива и масел — двигатели внутреннего сгорания.
Вследствие этого проблема рационального и эффективного использования топливно-энергетических ресурсов на транспортных двигателях внутреннего сгорания является одной из важнейших.
Кроме того, к сожалению, использование дизельных установок в судовой энергетической установке приводит к загрязнению окружающей среды. Только судовые, тепловозные и промышленные дизели выбрасывают в год не менее 3 млн т воздуха, загрязненного оксидами азота, серы и углерода, углеводородами и сажей.
При создании предлагаемой энергосберегающей установки проводился анализ существующих энергетических установок судов речного флота. Наиболее близким прототипом является энергетическая установка речного судна с использованием термоэлектрического генератора (ТЭГ). Этот генератор, установленный на выхлопной трубе, позволяет утилизировать тепловую энергию отработавших газов и вырабатывать электрическую энергию. Однако основным недостатком этого устройства является то, что ТЭГ обладает низким КПД (5 %). [1] Исходя из этого, нами разработана новая судовая энергосберегающая установка с использованием теплового насоса [5], у которого (прибора) масса преимуществ перед прототипами [2], [4].
Основные из них следующие:
- Экономичность, то есть сравнительно небольшое потребление электроэнергии, которое возможно благодаря очень высокому КПД, что позволяет получать от 3 до 8 кВт тепловой энергии всего лишь на 1 кВт мощности;
- Безопасность использования. Тепловой насос не выделяет сажи, выхлопа, отсутствует открытое пламя, не может быть никакой утечки газа, разлива мазута, запаха солярки. Все это создает благоприятные условия применения данного устройства; Из этого вытекает экологичность теплового насоса. С помощью него сохраняются невозобновляемые энергоресурсы и защищается окружающая среда, т. к. выбросы CO2 в атмосферу значительно сокращаются. При использовании потенциальной тепловой энергии для окружающей среды применяется до 2 раз меньше первичной энергии, чем во время сжигания топлива;
- Комфортная работа прибора. Насос функционирует бесшумно, уж точно не громче холодильника. Наличие многозонального климатического контроля и погодозависимой автоматики расширяет возможности этого прибора;
- Надежность. Тепловой насос не зависит от перебоев электроэнергии, поставки топлива и его качества, в его устройстве насчитывается не так уж и много подвижных частей;
- Универсальность. Вид используемой энергии может быть тепловой или электрический; Совместимость теплового насоса с любой циркуляционной системой. Благодаря современному дизайну он может устанавливаться в машинном отделении судна.
- Долговечность. Срок службы аппарата достигает 20–25 лет. При потреблении всего лишь 1 кВт электроэнергии тепловой насос «добывает» 3 кВт энергии из окружающей среды.
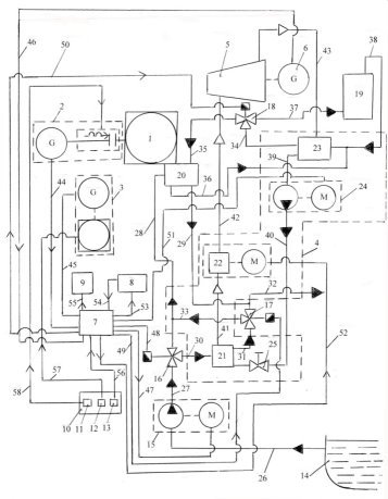
На рис.1 представлено устройство предлагаемой энергосберегающей установки, основными элементами которой являются главный судовой дизель 1 с валогенератором 2, дизель-генератор 3, тепловой насос 4, паровая турбина 5 с генератором 6, главный распределительный щит 7 и элементы автоматики.
Рис. 1. Схема энергосберегающей установки: 1 — главный судовой дизель; 2 — валогенератор; 3.-. дизель-генератор; 4.- тепловой насос; 5 — паровая турбина; 6 — генератор; 7 — главный распределительный щит; 8 — аккумуляторные батареи; 9 — судовой потребитель электроэнергии; 10 — пульт управления; переключатели: 11 — валогенератора, 12 — дизель-генератора, 13 — теплового насоса; 14 — клинкет, 15 — электрический насос; 16, 17, 18 — электронные трехходовые вентили (3ХВ); 19 — потребитель тепловой энергии в служебных и жилых помещениях, 20 — потребитель тепловой энергии в рабочих системах дизеля; элементы теплового насоса:21 — испаритель, 22 — компрессор, 23 — конденсатор, 24 — электрический насос, 25 — дроссель; 26, 27, 28, 29, 30, 31, 32, 33 — каналы охлаждающей забортной воды; 34. 35, 36, 37, 38 — каналы теплоносителя; 39, 40, 41, 42, 43 — каналы хладагента; 44, 45, 46 — каналы выработанной электроэнергии; 47, 48, 49, 50, 51, 52, 53, 54, 55, 56, 57, 58. — каналы подачи электроэнергии
Потребитель тепловой энергии 6 позволяет создавать комфортные бытовые условия, обеспечивая тепловой энергией в служебных и жилых помещениях.
Электронный трехходовой вентиль 18 и канал 35 обеспечивают тепловой энергией рабочие системы главного судового дизеля 1 для предпускового подогрева, а также подогрева топлива, масла, наддувочного воздуха в холодное время года.
Забортная вода предназначена для поддержания требуемого теплового состояния в рабочих системах 20 дизеля 1, а в испарителе 21 теплового насоса выполняет функцию низкопотенциального источника энергии, при этом во время испарения хладагента низкопотенциальный источник энергии охлаждается и поступает в рабочие системы 20 дизеля 1 и используется для поддержания требуемого теплового состояния дизеля в теплое время года.
В тепловом насосе циркулирует хладагент, выполняя свой рабочий цикл, обеспечивая паровую турбину рабочим паром, параметры которого получают расчетным путем.
Пульт управления 10 позволяет управлять работой источников электроэнергии переключателями 11, 12, 13.
Электронные трехходовые вентили 16, 17, 18 пл 5 выполняются по патенту [3] и служат для автоматического распределения теплоносителей, низкопотенциального источника энергии и хладоносителя своим потребителям.
В тепловом насосе пл. 4 циркулирует низкокипящее вещество (хладагент): из конденсатора 23 конденсированный хладагент в жидком состоянии через насос 24, дроссель 25 подается в испаритель 21, при этом в дросселе хладагент дросселируется и начинается процесс кипения, а в испарителе в результате теплообмена с низкокипящим источником энергии хладагент превращается, который подается в компрессор 22, в результате сжатия повышается давление и его температура. Далее пар поступает в турбину, где совершается рабочий процесс, приводится в действие генератор 6 и выработка электроэнергии. Отработанный пар подается в конденсатор, где в результате теплообмена с теплоносителем конденсируется, т. е. превращается в жидкость и цикл повторяется.
Валогенератор 2 с помощью электрической муфты подключен к главному дизелю 1 и служит для выработки электроэнергии при работе дизеля 1 на номинальных нагрузках.
Главный распределительный щит 7 служит для приема вырабатываемой электроэнергии валогенератором 2, дизель-генератором 3 и тепловым насосом 4; преобразования ее в требуемое напряжение для питания силовых потребителей; освещения, различных видов связи и сигнализации и т. п.
Предложенная энергосберегающая установка работает следующим образом.
- Пусть судно находиться в порту на вынужденной остановке и снимается с якоря для совершения своего рейса.
В этом случае в зависимости от обстановки, времени работает дизель-генератор 3, который обеспечивает судовые потребители электроэнергией. Запускается главный судовой дизель 1 (операция пуска на рис. 1 не показана), происходит увеличение нагрузки, и дизель выходит на номинальный режим. После выхода дизеля 1 на номинальный режим переключателем 11 валогенератор 2 приводиться в рабочее состояние. При этом дизель-генератор 3 переключателем 12 останавливают его работу, а выработанная электроэнергия по каналу 44 подается главный распределительный щит 7, который начинает подавать электроэнергию на судовые потребители. Во время переключения от дизель-генератора 2 на валогенератор 3 судовые потребители 9 обеспечиваются аккумуляторными батареями 8 подачей электроэнергии через канал 57, главный распределительный щит 7. После начала работы валогенератора 2 происходит зарядка аккумуляторных батарей 8 подачей электроэнергии по каналу 52.
Если при выполнении судном своего рейса, а также при выполнении маневров при прохождении труднопроходимых участков, шлюзовании и т. п. предлагаемая система переходит на режим работы с использованием теплового насоса.
Для этого переключателем 13 подается электроэнергия на ГРЩ 7, который запускает тепловой насос в работу.
При этом
— ГРЩ 7 приводит в рабочее положение 3ХВ 16, 17, 18; компрессор 22.
3ХВ 16 открывает канал 30 и одновременно начинается подача забортной воды в рабочие системы 20 и по каналу 30 в испаритель 21 теплового насоса 4; ТХВ 17 открывает каналы 31, 33, 32; ТХВ 18 открывает каналы 34, 37, а при необходимости регулирования теплового состояния дизеля — канал 35.
Хладагент из конденсатора 23 в жидком состоянии поступает в насос 24, где увеличивается давление хладагента и через дроссель 25 подается в испаритель 21, где в результате теплообмена с забортной водой (низкопотенциальным источником энергии) происходит кипение и в парообразном состоянии подается в компрессор 22, где происходит увеличение давления и температуры. Далее полученный пар поступает в турбину 5, где совершается рабочий цикл, при этом генератор вырабатывает электроэнергию, которая подается в ГРЩ 7. И переключателем 13 производится питание электроэнергией судовых потребителей от теплового насоса 4. При этом, аналогично во время переключения от валогенератора 2 к тепловому насосу судовые потребители работают от аккумуляторных батарей 8.
Таким образом, предлагаемая судовая энергосберегающая установка, позволяет, используя тепловой насос, позволяет модернизировать энергетическую установку, обеспечивая судовые потребители электрической и тепловой энергии, как в ходовом режиме, так и во время вынужденной остановки, исключая при этом работу дизель-генератора без особой необходимости, что приводит к эффективности работы судовой энергетической установки.
Литература:
- Патент № 92247, H01L 35/28. Судовой термоэлектрический генератор / В. Н. Тимофеев. Опубл. 10.03.2010 в БИ № 7.
- Патент № 96550 Россия, МПК В63H 23/24, F24J 2/00 Судовая электроэнергетическая установка / В. Н. Тимофеев В. Н., Тимофеев Д. В. Опубл. 10.08.2010 в БИ № 22.
- Патент № 2270923. Россия, МПК F01Р 7/16. Электрический термостат/В. Н. Тимофеев, Н. П. Кузин, А. Н. Краснов. Опубл. 27.02.06. Бюл. № 6.
- Патент № 166326. Россия, МПК B63H 23/24. Судовая энергосберегающая установка/В. Н. Тимофеев, Л. В. Тузов, О. К. Безюков, В. А. Жуков, Н. Ф. Тихонов, Д. В. Тимофеев. Опубл. 20.11.2016. Бюл. № 32.
- Патент № 176333, Россия, МПК В63H 23/24. Энергосберегающая установка речного судна/В. Н. Тимофеев, Н. Ф. Чесухин, Д. В. Тимофеев. Опубл. 17.01.18 в Бюл. № 2.

